中文

产品分类

Product List

单相智能电力仪表PUMG510

PUMG510单相智能电力仪表,是集遥测、遥信、遥控、变送于一体的单相多功能智能电力仪表,功能丰富、性价比高,可独立运用于不同场合的电量测量和显示,帮助客户节省投资和使用空间。

视频展示

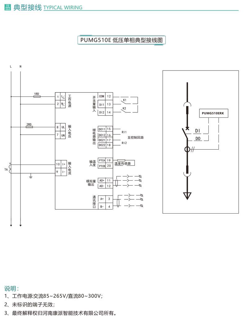
产品概述 功能特点 技术参数 接线图 相关画册
       PUMG510单相智能电力仪表,是集遥测、遥信、遥控、变送于一体的单相多功能智能电力仪表,功能丰富、性价比高,可独立运用于不同场合的电量测量和显示,帮助客户节省投资和使用空间,在各行业已经得到广泛的应用。
 
PUMG510单相智能电力仪表功能特点
1.可测量单相交流电压、电流、有功/无功功率、有功/无功电度、
2.功率因数、频率等
3.工作时间、负载时间统计功能
4.1路RS485通讯接口,Modbus-RTU通讯协议
5.可扩展2路无源开关量输入 
6.可扩展2路继电器输出
7.可扩展1路4~20mA模拟量输出
8.1路无源光耦集电极有功脉冲输出
9.优良的温度特性和工作稳定性
10.可扩展1路PT100温度输入
11.FSTN液晶显示 ,在强光和大视角环境下获得良好的视觉效果
12.电压、电流变比可编程


 

 

暂无相关内容,如有需要,请联系客服